Przejdź do głównej treści
Jeżeli nasza cena wydaje się nieatrakcyjna - zaproponuj własną
Zapytaj
Gwarantujemy szybką i profesjonalną obsługę klienta
Sprawdź
Bezpieczna wysyłka
Szybka dostawa
Przyjazna pomoc
Produkty w koszyku: 0. Zobacz szczegóły

Twój koszyk jest pusty

Przejdź do sekcji Opinie
Producent: SELCO (przejdź do produktów)

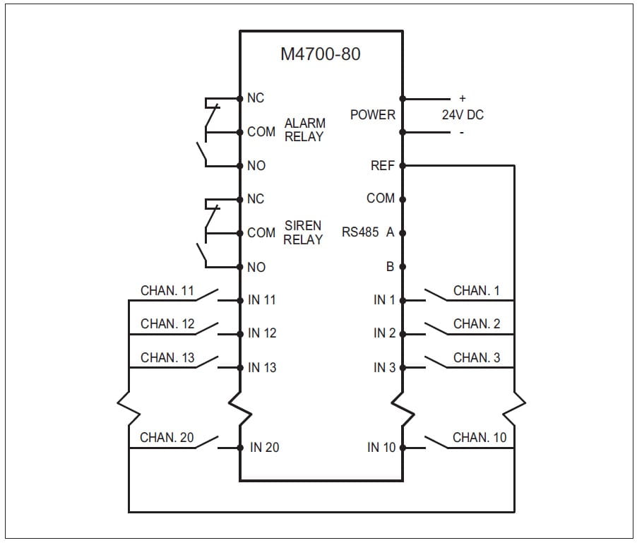
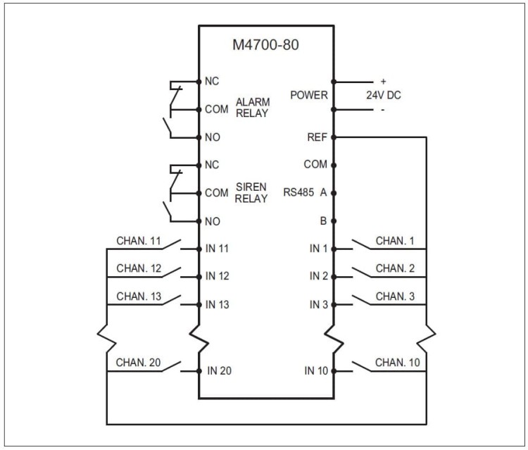
M4780 Panel sygnalizacyjny MODBUS

Panel sygnalizacyjny 20-kanałowy do monitorowania sygnałów ze styków beznapięciowych lub sygnałów przesyłanych za pomocą 2-przewodowej linii RS485 z użyciem protokołu MODBUS-RTU. Komunikacja MODBUS umożliwia przesyłanie informacji o stanie diod LED i wejść stykowych panelu, co pozwala na współpracę ze sterownikami programowalnymi PLC.

Przejdź do pełnego opisu
z VAT bez VAT
Cena 4 180,13 zł
szt.
Dostępność:
dostępny na zamówienie
Sprawdź także:
Suma dodatkowych produktów: 0.00 zł
Jak to dziala?
Czas wysyłki: 4 dni
Zapytaj o produkt
Udostępnij
Dlaczego my?
  • Od ponad 35 lat wspieramy Klientów w doborze i zastosowaniach produktów automatyki przemysłowej i elektrotechniki. Nasz zespół inżynierów i handlowców zapewnia fachowe doradztwo na każdym etapie.
  • Współpracujemy wyłącznie ze sprawdzonymi producentami, takimi jak ABB, Apator, Ergom, Fibox, Helukabel, Lumel czy Finder, gwarantując wysoką jakość i niezawodność.
  • Dbamy o szeroki asortyment i sprawną logistykę, aby zamówienia trafiały do Klientów terminowo i bez problemów.

Opis

Panel sygnalizacyjny M4780 pozwala łatwo rozwiązać zadanie wizualizacji sygnałów tak w miejscowych, jak i odległych lokalizacjach. Bogate możliwości konfiguracji sygnałów świetlnych diod: światło stałe, wolne pulsujące, szybkie pulsujące, krótkie błyski, wyłączone. W typowych zastosowaniach szybkie miganie diody może oznaczać pierwszy alarm, wolne miganie - kolejne alarmy, stałe świecenie - alarm potwierdzony przez operatora, krótkie błyski - uszkodzenie kanału, wygaszenie diody - brak alarmu.

  • Ekonomiczny sposób na wizualizację stanów alarmowych w instalacji
  • Zwarta konstrukcja do montażu na drzwiach rozdzielnicy 144x144mm
  • 20 programowalnych diod LED
  • Możliwość stosowania diod o różnych kolorach
  • Opisy monitorowanych wielkości na papierowej wkładce (do swobodnego drukowania)
  • Równoległe wejścia bezpośrednio ze styków oraz poprzez komunikację MODBUS
  • Standardowy protokół MODBUS-RTU
  • Możliwość podłączenia wielu paneli M4780 do magistrali MODBUS
  • Długość magistrali do 1000m
  • Wyposażony w przekaźnik alarmowy, przekaźnik do zewnętrznej syreny, wbudowany brzęczyk
  • Dwa przyciski: test diod oraz wyłączenie syreny
  • Szybkie podłączenie

Bezpieczeństwo produktu

Certyfikaty i ostrzeżenie bezpieczeństwa

  • Posiada oznaczenie CE (zgodność z normami UE).

Producent

SELCO ApS

Betonvej 11

DK-4000 Roskilde, Polska

selco@selco.com

Pliki do pobrania

File icon M4780-Data-Sheet.pdf 1.25 MB

M4780-Karta-katalogowa

File icon RS485-Bus-Wiring.pdf 68.48 kB

M4780-okablowanie-MODBUS

File icon Alarm-MODBUS-Protocol-1.pdf 316.06 kB

M4780-opis-implementacji-MODBUS

File icon Process-Alarm-solutions_web.pdf 1.38 MB

SELCO-monitorowanie-stanow-alarmowych

Opinie

Liczba ocen: 0
Oceń i opisz

Bezpieczeństwo

Robiąc zakupy w naszym sklepie online, możesz czuć się w pełni bezpieczny.

Dostawa

Kurier, Paczkomat czy odbiór osobisty? Ty decydujesz.

Płatność

Spośród różnorodnych form płatności wybierz najlepszą opcję dla siebie.

Odbiór osobisty

Możliwość odbioru osobistego w naszych magazynach w Gdańsku, Gdyni i Rumi, w dni powszednie w godzinach 08:00 do 16:00.

Zwrot

Bezproblemowy zwrot towaru do 14 dni od otrzymania produktu.

    Potrzebujesz pomocy?

    Jesteśmy dla Ciebie.
    Grafika informacyjna modułu

    Porozmawiaj z naszym zespołem obsługi klienta. Od poniedziałku do piątku od 9:00 do 16:00.

    Zadzwoń do nas: Cena za połączenie wg stawek operatora.